This website requires JavaScript.
Explore
Help
Sign in
ahoneybun
/
qmk_firmware
Watch
1
Star
0
Fork
You've already forked qmk_firmware
0
Code
Issues
Pull requests
Projects
Releases
Packages
Wiki
Activity
Actions
21dc8381d1
qmk_firmware
/
keyboards
/
lets_split
/
imgs
/
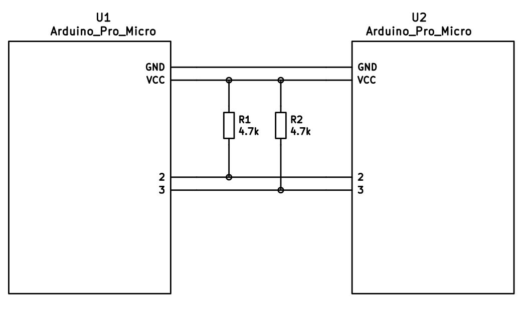
split-keyboard-i2c-schematic.png
Jack Humbert
ce01f88c43
images, docks, clean-up [skip ci]
2016-07-05 23:40:54 -04:00
26 KiB
1041x621px
Raw
History